欢迎来到井兮精密轴承(上海)有限公司官方网站!服务电话021-36539299!

进口轴承经销商

进口轴承整体方案提供商

SKF YAT 212-204轴承

您现所在的位置:网站首页 > SKF轴承

YAT 212-204轴承

YAT 212-204轴承

型号:YAT 212-204
品牌:SKF
系列:带沉头螺钉的 Y 型轴承
内径:57.15 mm
外径:110 mm
宽度:48.5 mm

SKF YAT 212-204轴承现货供应商

我们是SKF品牌代理商,与SKF厂家常年批量订购YAT 212-204轴承,所售产品请您放心购买!

咨询热线:021-36539299

共 2 张 第1 张上一张 1下一张
共 2 张 第2 张上一张 2下一张
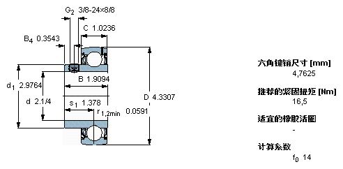
主要尺寸
  • d
  • 57.15
  • mm
  • D
  • 110
  • mm
  • B
  • 48.5
  • mm
  • C
  • 26
  • mm
基本额定载荷
  • C
  • 52700
  • N
  • 动载荷
  • C0
  • 36000
  • N
  • 静载荷
疲劳载荷极限
  • Pu
  • 1530
  • N
极限转速
  • 带h6轴公差
  • 3400
  • r/min
重量
  • 重量
  • 1250
  • g
型号
  • 型号
  • YAT 212-204
  • -

SKF YAT 212-204轴承型号对照

轴承型号品牌系列内径(mm)外径(mm)厚度(mm)
YAT 212-204SKF外球面轴承57.1511048.5